El PT2399 es un circuito integrado procesador de eco CMOS de un solo chip.
Un convertidor analógico-digital (ADC) de alta frecuencia de muestreo convierte los datos analógicos en un flujo de bits, que se almacena en la memoria RAM interna de 44 Kbits. Tras el procesamiento, el flujo de bits se demodula mediante un DAC y un filtro paso bajo. La frecuencia de reloj interna del VCO determina la duración total del retardo, y el usuario puede modificar fácilmente la frecuencia del VCO modificando la resistencia externa.
Características del PT2399
- Tecnología CMOS
- Mínimos componentes externos
- Función de reinicio automático para evitar el ruido de pop
- Bajo ruido, relación señal/ruido superior a 90 dB (típica)
- Baja distorsión, distorsión armónica total (THD) = 0,5 % (típica)
- Frecuencia de reloj VCO ajustable por el usuario
- Hoja técnica
Aplicaciones del PT2399
- Mezclador de karaoke
- Reproductor/grabador de CD/DVD
- TV multimedia
- Sistema de entretenimiento para coche
- Efectos para instrumentos musicales
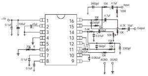
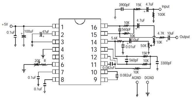
Esquemas de circuitos de aplicación del PT2399
El circuito de retardo/eco descrito en la hoja de datos es el uso más común del PT2399; estos circuitos fundamentales son bastante similares y sirven como base para muchos otros pedales de guitarra:








